Routing the cable route in halls or areas with limited support structures. The high strength of the trays allows the use of supports even every 8 m.
S - Sendzimir method galvanised steel PN-EN 10346:2015-09
Available finishes:
F - hot dip galvanised steel PN-EN ISO 1461:2023-02
E - stainless steel
L - painting in standard RAL colour
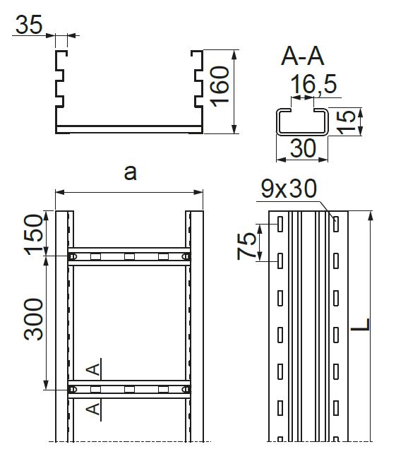
– ladder with rungs suitable for mounting UK/UKO... and UKP... cable clamps
– option E – only for sections up to 3 m – execution without embossing in the sides and with less dense perforation in the bottom of the board (there is a possibility of delivering to the customer connected with couplings two sections of 3 m giving length of 6 m)
– for large orders, it is possible to produce ladders with lengths from 2 to 12 m and ladders made of sheet metal with a thickness of 1.2 or 2.5 mm
