DSP...H160 Cable Ladder - English version - Katalog produktów BAKS

DSP...H160 Cable Ladder

1.5 Cable Management Solutions – BAKS Cable Management Solutions – BAKS
Information

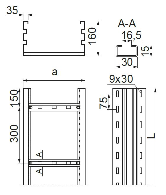
Routing the cable route in halls or areas with limited support structures. The high strength of the trays allows the use of supports even every 8 m.

Material

S - Sendzimir method galvanised steel PN-EN 10346:2015-09

Available finishes:

F - hot dip galvanised steel PN-EN ISO 1461:2023-02

E - stainless steel

L - painting in standard RAL colour

Additional information

– ladder with rungs suitable for mounting UK/UKO... and UKP... cable clamps

– option E – only for sections up to 3 m – execution without embossing in the sides and with less dense perforation in the bottom of the board (there is a possibility of delivering to the customer connected with couplings two sections of 3 m giving length of 6 m)

– for large orders, it is possible to produce ladders with lengths from 2 to 12 m and ladders made of sheet metal with a thickness of 1.2 or 2.5 mm

Product versions
Cable Management Solutions – BAKS Cable Management Solutions – BAKS
Symbol Length L (mm) Width a (mm) Catalogue number Quantity in box (pcs. / m.) Weight (1m) (kg) Effective section 3D file
Cable Management Solutions – BAKS
200 mm
Cable Management Solutions – BAKS
29800 mm
DSP200H160/6
Cable Management Solutions – BAKS
6 000 mm
Cable Management Solutions – BAKS
200
Cable Management Solutions – BAKS
442016
Cable Management Solutions – BAKS
1 / 6 pcs. / m.
Cable Management Solutions – BAKS
6.84 kg
Cable Management Solutions – BAKS
29,800
Plik *.std Add
Cable Management Solutions – BAKS
300 mm
Cable Management Solutions – BAKS
40600 mm
DSP300H160/6
Cable Management Solutions – BAKS
6 000 mm
Cable Management Solutions – BAKS
300
Cable Management Solutions – BAKS
443016
Cable Management Solutions – BAKS
1 / 6 pcs. / m.
Cable Management Solutions – BAKS
7.12 kg
Cable Management Solutions – BAKS
40,600
Plik *.std Add
Cable Management Solutions – BAKS
400 mm
Cable Management Solutions – BAKS
54700 mm
DSP400H160/6
Cable Management Solutions – BAKS
6 000 mm
Cable Management Solutions – BAKS
400
Cable Management Solutions – BAKS
444016
Cable Management Solutions – BAKS
1 / 6 pcs. / m.
Cable Management Solutions – BAKS
7.41 kg
Cable Management Solutions – BAKS
54,700
Plik *.std Add
Cable Management Solutions – BAKS
500 mm
Cable Management Solutions – BAKS
68900 mm
DSP500H160/6
Cable Management Solutions – BAKS
6 000 mm
Cable Management Solutions – BAKS
500
Cable Management Solutions – BAKS
445016
Cable Management Solutions – BAKS
1 / 6 pcs. / m.
Cable Management Solutions – BAKS
7.70 kg
Cable Management Solutions – BAKS
68,900
Plik *.std Add
Cable Management Solutions – BAKS
600 mm
Cable Management Solutions – BAKS
93800 mm
DSP600H160/6
Cable Management Solutions – BAKS
6 000 mm
Cable Management Solutions – BAKS
600
Cable Management Solutions – BAKS
446016
Cable Management Solutions – BAKS
1 / 6 pcs. / m.
Cable Management Solutions – BAKS
7.99 kg
Cable Management Solutions – BAKS
93,800
Plik *.std Add
Load
Cable Management Solutions – BAKS Cable Management Solutions – BAKS

Qdop. (kN/m)
0.0
L (m)
0.0
Filling value
Cable Management Solutions – BAKS Cable Management Solutions – BAKS
Cable Management Solutions – BAKS
Cable 1
Cable Management Solutions – BAKS
Cable Management Solutions – BAKS
Cable 2
Cable Management Solutions – BAKS
Cable Management Solutions – BAKS
Cable 3
Cable Management Solutions – BAKS
Cable Management Solutions – BAKS
Cable 4
Cable Management Solutions – BAKS
Cable Management Solutions – BAKS
 
 
Filling reserve (%)
Cable Management Solutions – BAKS
Filling correction (%)
Cable Management Solutions – BAKS