LUPNJ...H30 Łuk 90° - English version - Katalog produktów BAKS

LUPNJ...H30 Łuk 90°

1.0 Cable Management Solutions – BAKS
Information

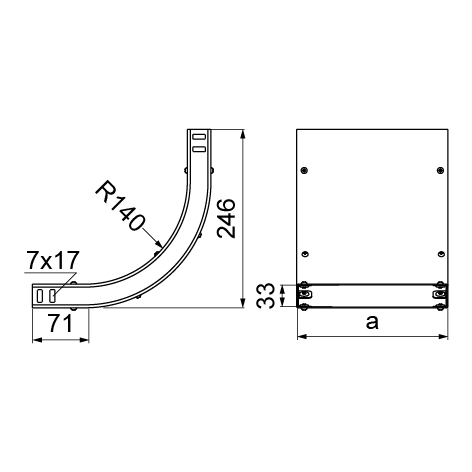
Zmiana kierunku prowadzenia trasy kablowej.

Material

S - stal cynkowana met. Sendzimira PN-EN 10346:2015-09
Na zamówienie:
F - stal cynkowana metodą zanurzeniową PN-EN ISO 1461:2023-02
L - lakierowanie w standardowej palecie RAL

Additional information

– montaż śrubami SGKM6x12 lub SGM6x12
– może służyć jako łuk zewnętrzny lub wewnętrzny

- możliwość wsunięcia korytka z pokrywą

Note
Integrated couplers. Assembly without additional couplers.
Product versions
Cable Management Solutions – BAKS Cable Management Solutions – BAKS
Symbol Catalogue number Wymiar wew. a (mm) Weight 1 pc. (kg) Quantity (pcs.)
LUPNJ50H30
Cable Management Solutions – BAKS
136346
Cable Management Solutions – BAKS
53
Cable Management Solutions – BAKS
0.49
Cable Management Solutions – BAKS
1
Add
LUPNJ100H30
Cable Management Solutions – BAKS
136347
Cable Management Solutions – BAKS
103
Cable Management Solutions – BAKS
0.72
Cable Management Solutions – BAKS
1
Add
LUPNJ150H30
Cable Management Solutions – BAKS
136348
Cable Management Solutions – BAKS
153
Cable Management Solutions – BAKS
0.95
Cable Management Solutions – BAKS
1
Add
LUPNJ200H30
Cable Management Solutions – BAKS
136349
Cable Management Solutions – BAKS
203
Cable Management Solutions – BAKS
1.19
Cable Management Solutions – BAKS
1
Add
LUPNJ300H30
Cable Management Solutions – BAKS
136350
Cable Management Solutions – BAKS
303
Cable Management Solutions – BAKS
1.65
Cable Management Solutions – BAKS
1
Add