KBP...H60 Cable Tray - English version - Katalog produktów BAKS

KBP...H60 Cable Tray

1.5
Information

Cable routing

Material

S - Sendzimir method galvanised steel PN-EN 10346:2015-09

Available finishes:

F - hot dip galvanised steel PN-EN ISO 1461:2023-02

E - stainless steel

L - painting in standard RAL colour

Additional information

* - Versions over 300 m available on request

Joining cable tray sections together only through the use of connectors
(lack of cut in the flange at the end of side profile). For the assembly
use Screw Sets SGKM6x12 or SGM6x12

NOTE!
The 1.5 mm thick, stainless steel trays have no upper embossing
(a right angle bend). The covers cannot be snapped closed.

Note
Connecting of trays with the use of couplers only.
Product versions
Cable Management Solutions – BAKS Cable Management Solutions – BAKS
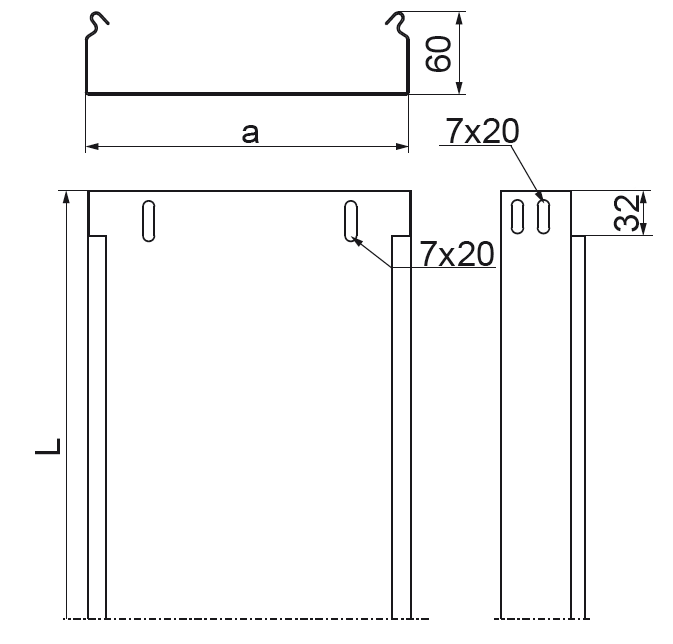
Symbol Catalogue number Length L (mm) Width a (mm) Weight (1m) (kg) Quantity in box (pcs. / m.) Effective section
Cable Management Solutions – BAKS
100 mm
Cable Management Solutions – BAKS
5800 mm
KBP100H60/3
Cable Management Solutions – BAKS
162610
Cable Management Solutions – BAKS
3 000 mm
Cable Management Solutions – BAKS
100
Cable Management Solutions – BAKS
2.81 kg
Cable Management Solutions – BAKS
4 / 12 pcs. / m.
Cable Management Solutions – BAKS
5,800
Add
Cable Management Solutions – BAKS
200 mm
Cable Management Solutions – BAKS
11800 mm
KBP200H60/3
Cable Management Solutions – BAKS
162620
Cable Management Solutions – BAKS
3 000 mm
Cable Management Solutions – BAKS
200
Cable Management Solutions – BAKS
3.37 kg
Cable Management Solutions – BAKS
4 / 12 pcs. / m.
Cable Management Solutions – BAKS
11,800
Add
Cable Management Solutions – BAKS
300 mm
Cable Management Solutions – BAKS
17800 mm
KBP300H60/3
Cable Management Solutions – BAKS
162630
Cable Management Solutions – BAKS
3 000 mm
Cable Management Solutions – BAKS
300
Cable Management Solutions – BAKS
3.93 kg
Cable Management Solutions – BAKS
2 / 6 pcs. / m.
Cable Management Solutions – BAKS
17,800
Add
Cable Management Solutions – BAKS
400 mm
Cable Management Solutions – BAKS
23800 mm
KBP400H60/3
Cable Management Solutions – BAKS
162040
Cable Management Solutions – BAKS
3 000 mm
Cable Management Solutions – BAKS
400
Cable Management Solutions – BAKS
5.06 kg
Cable Management Solutions – BAKS
2 / 6 pcs. / m.
Cable Management Solutions – BAKS
23,800
Add
Cable Management Solutions – BAKS
500 mm
Cable Management Solutions – BAKS
29800 mm
KBP500H60/3
Cable Management Solutions – BAKS
162050
Cable Management Solutions – BAKS
3 000 mm
Cable Management Solutions – BAKS
500
Cable Management Solutions – BAKS
6.19 kg
Cable Management Solutions – BAKS
2 / 6 pcs. / m.
Cable Management Solutions – BAKS
29,800
Add
Cable Management Solutions – BAKS
600 mm
Cable Management Solutions – BAKS
35800 mm
KBP600H60/3
Cable Management Solutions – BAKS
162060
Cable Management Solutions – BAKS
3 000 mm
Cable Management Solutions – BAKS
600
Cable Management Solutions – BAKS
7.32 kg
Cable Management Solutions – BAKS
2 / 6 pcs. / m.
Cable Management Solutions – BAKS
35,800
Add
Load
Cable Management Solutions – BAKS Cable Management Solutions – BAKS

Qdop. (kN/m)
0.0
L (m)
0.0
Filling value
Cable Management Solutions – BAKS Cable Management Solutions – BAKS
Cable Management Solutions – BAKS
Cable 1
Cable Management Solutions – BAKS
Cable Management Solutions – BAKS
Cable 2
Cable Management Solutions – BAKS
Cable Management Solutions – BAKS
Cable 3
Cable Management Solutions – BAKS
Cable Management Solutions – BAKS
Cable 4
Cable Management Solutions – BAKS
Cable Management Solutions – BAKS
 
 
Filling reserve (%)
Cable Management Solutions – BAKS
Filling correction (%)
Cable Management Solutions – BAKS