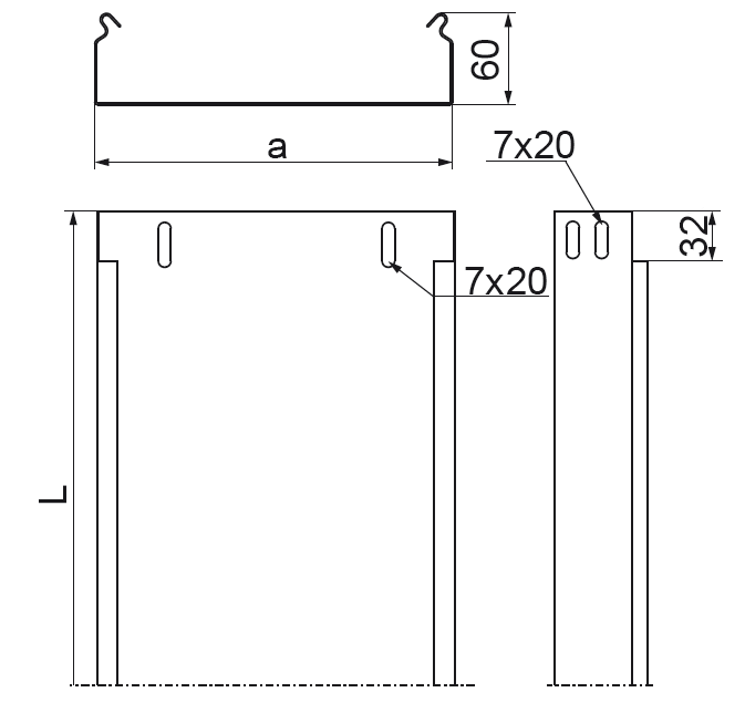
Prowadzenie trasy kablowej
      Materiał    
    S - stal cynkowana met. Sendzimira PN-EN 10346:2015-09
Na zamówienie:
F - stal cynkowana metodą zanurzeniową PN-EN ISO 1461:2023-02
E - stal nierdzewna
L - lakierowanie w standardowej palecie RAL
      Dodatkowe informacje    
    – system bezłącznikowy - łączenie koryt poprzez wsuwanie jednego w drugie i skręcenie śrubami SGKM6x12 lub SGM6x12
– w przypadku zastosowania zamiennika o innej wysokości, wszystkie elementy systemu muszą nadążać za tym parametrem
Uwaga
System bezłącznikowy. Opcja łączenia koryt poprzez wsunięcie jedno w drugie i skręcenie. Stosowanie łączników zaleca się tylko przy dużych obciążeniach.
    
    
    System bezłącznikowy. Opcja łączenia koryt poprzez wsunięcie jedno w drugie i skręcenie. Stosowanie łączników zaleca się tylko przy dużych obciążeniach.
